地址:上海市奉贤区奉城镇奉干公路1106号
联系人:刘毅
手机:18917397018
电话:021-56720975 57378187
传真:021-58058735
邮件:ehlgs@163.com
网址:http://www.lrkdq.com.cn
10KV高压电动机固态软启动柜制造商RKGR/Y 产品特性:高压电抗软起动柜,电抗器软起动柜,高压电抗器软启动柜,高压固态软起动柜 产品简介:型号:ADGR/Y ;加工定制:是 ;用途:减压起动 ;额定电流:500 A;额定电压:10000 V;使用电机:三相鼠笼式电机 ;产品认证:ISO9001:2008
本设备符合国家标准 GB 3906-2020《3.6kV~40.5kV 交流金属封闭开关设备和控制设备》,以及国际标准 IEC 62271-200《高压开关设备和控制设备 第 200 部分:额定电压 1kV 以上至 52kV 及以下交流金属封闭开关设备和控制设备》的要求。
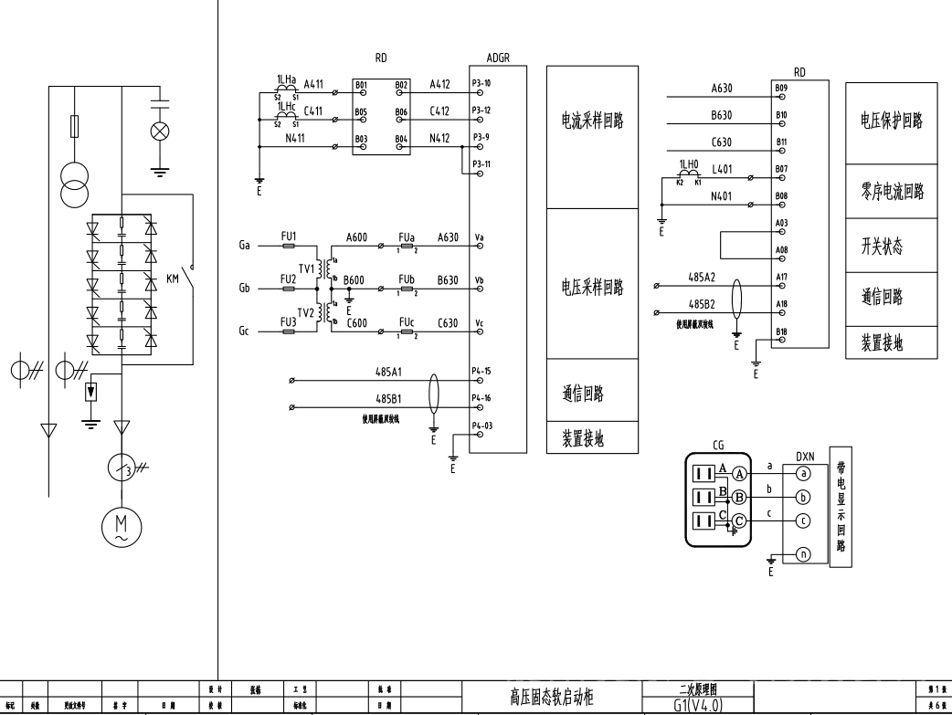
详细介绍: 分享该产品转发到 10KV高压电动机固态软启动柜制造商货源奥东电气RKGR/Y,RKGR的控制核心是先进的微处理器,通过CPU对主回路可控硅移相角触发的控制来实现的。通过逐渐增加电机端的电压和电流,平滑的增加电机转矩。在此过程中,RC阻容吸收单元不仅吸收尖峰电压同时起到静态均压的作用。光纤隔离可控硅与触发单元发出强的触发脉冲来保证可控硅组件的动态均压。转矩可以在线检测,输出到电机的转矩并反馈到软起动器。同时检测到来自相位、电流、温度的正常信号。当电机接近额定转速时软起动器发出旁路合闸命令,直至电机正常运行。这种起动方式可以降低电机的起动冲击电流,减少对电网和电机自身的冲击及对机械负载的冲击。延长设备的使用寿命。 2. 现场设备使用环境 3.1海拔高度: ≤2000m米 3.2地震烈度: 8度 3.3日平均相对湿度:不大于95%(25℃)、50%(40℃)无凝露 3.4室内环境温度:-10℃~+45℃*大日温差15℃ 3.5*大日温差: 15℃ 3.6极端*高气温: 40.7℃ 3.7极端*低气温: -20.2℃ 3.7年平均气温: +18℃ 3.8地面水平加速度:0.3g 垂直加速度;0.15g 3. 现场工程条件 4.1安装场所:户内安装,10KV高压固态软起动柜安装在德高压配电室内,要求设备防护等级达到IP4X。 4.2安装方式:直立式独立安装。 4.2电缆进出方式:电缆由高压固态软起动柜底部下进下出。 4.3系统中性点接地方式:中性点不接地系统。 4.4高压固态软起动柜与电动机(负载)电缆距离为:<150米。 4. 现场供电方式及条件 5.1供电方式: 由10KV网侧高压配电室开关柜直接馈出 5.2额定容量:1250A 5.3额定电压:10KV 5.4*高电压:12KV 5.5额定频率:50HZ 5. 现场高压电动机技术参数 5.1拖动方式:采用一拖一高压固态软起动装置 5.2电机类型:鼠笼型异步电动机 5.3额定电压:10KV 5.4额定功率:4000KW(COSΦ=0.86) 5.5额定频率:50HZ 5.6电机接线方式:Y
6. 供货范围 6.1提供满足本技术附件要求所必须的全套晶闸管(可控硅)高压固态一拖一软起动柜的主要技术及各项服务。主要包括:控制模块、功率模块、控制变压器、旁路等,其中可控硅元件采用大功率系列产品。 6.2软起动装置以成套单元供货,柜体采用金属封闭式结构,柜内为分隔式。所有主、控元件安装满足国家相关规定和规范要求,实现安全可靠运行。 6.3要求开关器件选配真空断路器。软起动装置内部,每个成套单元的保护控制系统自成体系,保护控制元器件采用PLC或微机系列。成套单元需设对外通讯接口1个,符合国家标准。传输可靠,准确无误
8. 技术要求 8.1高压固态软起动装置为一拖一方式,10kV输入,10kV输出。装置的功率单元为模块化设计,可方便从机架上拆出和更换,所有功率单元可以任意互换。满足长期连续运行的要求,起动、运行和停机迅速、安全可靠。 8.2高压固态软起动柜具有软起/直起/软停功能。 8.3高压软起动装置的进出线设计为下进下出,该装置应能满足两根YJV8.7/15-3*240电缆进出的要求。 8.4装置柜体的安装、调试和维修可在正面和背面进行。 8.5高压固态软起二次控制电源由现场提供,采用交流AC220V-50Hz容量为500VA。 8.6高压软起装置控制方式:能够实现三地控制,①软起柜操作②机旁控制箱操作③DCS集中控制。 8.7高压固态软起动柜旁路接触器提供二对常开、二对常闭无源接点。 8.8 高压固态软起动柜在不接通高压时可以通过低压380V/50Hz进行模拟调试,利用低压电动机及大功率灯泡模拟负载实现软起动的各项保护功能,为正式高压启动时提供启动依据。 8.9高压固态软起动柜安装方式:单独摆放。 8.10 软启动装置能满足业主电动机的正常起动要求,起动平稳、冲击小,控制动作可靠。 8.11 主要参数指标: 1)起动电流:鼠笼式电动机,按负载情况考核控制在2.0~3.5Ie内; 2)单次起动时间的*大调节范围在30%以内。*大范围10~60S; 3)*大限度地减少起动压降?以稳定电网质量; 4)允许连续起动次数为:2~3次。但需满足产品温度运行及控制要求; 6)软启动装置有自检(包括电网检测)、加速校正、故障报警等功能。 7)软启动装置具备就地和远程控制起、停车功能,提供电动机联锁需要I/O接点。 9.一次方案原理图 9.1合同签定后一周内将全套图纸提供给需方。
10技术性能 10.1 工作原理 10.1.1.RKGR的控制核心是先进的微处理器CPU,通过CPU对主回路可控硅移相角触发的控制来实现的。通过逐渐增加电机端的电压和电流,平滑的增加电机转矩。在此过程中,RC阻容吸收单元不仅吸收尖峰电压同时起到静态均压的作用。光纤隔离可控硅与触发单元发出强的触发脉冲来保证可控硅组件的动态均压。转矩可以在线检测,输出到电机的转矩并反馈到软起动器。同时检测到来自相位、电流、温度的正常信号。当电机接近额定转速时软起动器发出旁路合闸命令,直至电机正常运行。这种起动方式可以降低电机的起动冲击电流,减少对电网和电机自身的冲击及对机械负载的冲击。延长设备的使用寿命。 10.2软起动控制模式 10.2.1.电压斜坡起动:出厂设置为具有限流功能的电压斜坡,这也是*可靠的起动模式。可以满足大多数应用场合,其初始转矩设定为电机刚好能带动负载转动时的值,然后电压逐渐的平滑上升。在限定的斜坡时间和电机起动电流范围内,使电机平滑上升到全速运转。 10.2.2.限流起动:起动时,电流快速增加到限定值,一直到电机全速运行。 10.2.3.重载起动:主要用于电机拖动大惯性负载如风机、球磨机等,可以延长8秒的切换时间。 10.2.4. 自由停车或软停车可选:可以适用不同的停车场合-如消除水泵的水锤效应。以满足特殊需要。 10.3 保护控制功能 10.3.1.保护功能:过流、欠流保护,缺相保护,过压、欠压保护,可控硅短路保护,零序保护,电机起动超时保护,起动过频保护,相序保护,三相电流不平衡保护,电机过载保护。 10.3.2.控制功能: 1)采用现代先进的数字信号处理和系统集成技术,可靠性及稳定性高。 2)分别有正常运行及故障状态输出信号。 10.3.3通讯功能: 1)具备RS485接口(通讯协议MODBUS协议)通过此项功能可以直接与上位PC机通讯来实现遥控及遥信等功能.数量达36个,实现集成控制。 10.3.4功率组件: 1)采用大功率系列可控硅产品,5组串并联三相共30只可控硅。这样过压值可达到2倍以上额定电压冗余度,并且每组SCR组件都装有单独过电压保护单元。 10.3.5记忆功能: 1)有五个故障历史记忆的功能。 10.3.6.负反馈功能: 1)采用动态的模糊控制理念,在起动时间较长时,不会出现高压电机抖动现象。 2).采用一系列防干扰措施,具有很强的电磁兼容性。
10.4主要性能指标:
11.柜体结构特点 11.1完全金属铠装,拼装式结构,组合方案广,柜体选用进口的优质敷铝锌薄钢板,经CNC加工。 11.2采用先进的多重折边工艺,用拉铆螺母、高强度螺栓联接,具精度高、抗腐蚀、重量轻、强度高、零件通用性强等特点, 11.3高可靠的联锁装置,完全满足”五防”要求,各高压室均有泄压通道,确保人身安全,面门装有观察窗指示灯,可观察高压固态软起工作运行状态, 11.4符合GB3906、IEC298标准,铝锌钢板制成部件拴接而成壳体敷铝锌板厚度不少于2mm,柜体面板和后封板采用不少于2mm冷轧钢板制成,并要求采用环氧树脂粉末静电喷涂。 11.5柜体防护等级:IP4X。 奥东电气出厂的高压固态软启动柜要完全符合有关标准和规范的出厂试验,并要确定在制造厂进行的所有设备和材料试验,需方代表有权在某项和所有试验时在场,试验时需方在场并不减少供方应履行的任何责任,供方向需方提供完整的试验报告。包括产品出厂检验报告、合格证、出厂图纸、及相关元器件出厂检验报告合格证,4000KW高压固态软启动柜根据行业有关的标准规范进行常规出厂试验以确保软起动装置无电气和其它机械缺陷。除上述试验外,还要进行运行试验以确认断路器的合闸与跳闸操作、测量系统、继电保护装置以及其它控制系统的正常运行